Who We are

Welcome to PTKOS

Establishment on December 2012
Shareholder (Votting Right) of
  a. 80% of Osaka Steel Co. Ltd and
  b. 20% of PT Krakatau Steel (Persero), Tbk
Scope of Business :
  a. Manufacturing (Rolled) and Sales of Long Steel Products
  b. Bonded Logistic Center (Pusat Logistik Berikat)
  c. Sales of Billet Steel
Capacity of Production 500.000 Metric Tons/Year

KOS Profile KOS Marking Rebars

Company History & Milestones

-------------------------------------------------

Start to Established on December 26th, 2012
Start of Production on November 11st, 2016
Commercement of Operation on January, 2017
First Shipment on January 31st, 2017
Bonded Logistic Center Facility on August 2023

-------------------------------------------------

Directors and Commissioners

DIRECTOR
YASUYUKI NAKAHARA (President Director) - OSC JPN
KEISUKE NAGAURA (Production Director) - OSC JPN
ZAENAL ARIFIN MUSLIM (HR-Finance Director) - KS INA

COMMISSIONER
MAKMUN (President of Commisioner) - KS INA
SATOSHI KONDOU (Commisioner) - OSC JPN

MISSION, VISION & VALUES

As our motivation and passion to provide the best results in all process lines to become the best quality final product.

News

Zero Accident Awards 2024 and safety & Health Management System

The Ministry of Labor Indonesia held of Naker Awards Event on 23 August 2024,PT Krakatau Osaka Steel do K3 Program with achievement of 1,342,830 working hours without accident period 26 December 2021 until 30 September 2023, so PTKOS got Zero Accident Awards. This achievement isn't easy without best efford from all parties in KOS and lead by HSE Dept Team.
Secondly, PTKOS also get Safety & Health Management System certificate 2024 with achievement of 94.57% from 166 categories. This achievement increase before from 92.77%.

General Meeting Shareholder 2024

13-06-2024 12:00 PM

Annual agenda in Juny 2024, PTKOS held of GMS 2024
by Teleconference Zoom Meeting
There are several agenda :
1. Approval of Annual Report FY2023
2. Approval of Finance Report FY2022
3. Appointment of commissioner PTKOS
    from Osaka Steel Co.Ltd from Mr. Soichi Minami to Mr. Satoshi Kondou.

Bonded Logistics Center (BLC) | Pusat Logistik Berikat (PLB)

02-08-2023 8:00 PM

With the spirit of sustainable growth and improvement in company performance
in the current year, we are making improvements to the SCM process flow
as efficiently and effectively as possible by utilizing customs facilities,
namely the Bonded Logistic Center,
starting in early August 2023 and effective operation on Sept.2023 until now

Our Product

PRODUCTION PROCESS   ||   COMPANY CERTIFICATES

Reinforced Bars

Reinforced Bars

Deformend Bars
Size : 10 - 50 mm
BJTS 40, BJTS 50
SNI 07-2052-2002

Catalog
Equal Angles

Equal Angles

Size : 40x40 - 120x120 mm
BJP 41, BJP 55
SNI 07-2054-2006

Catalog
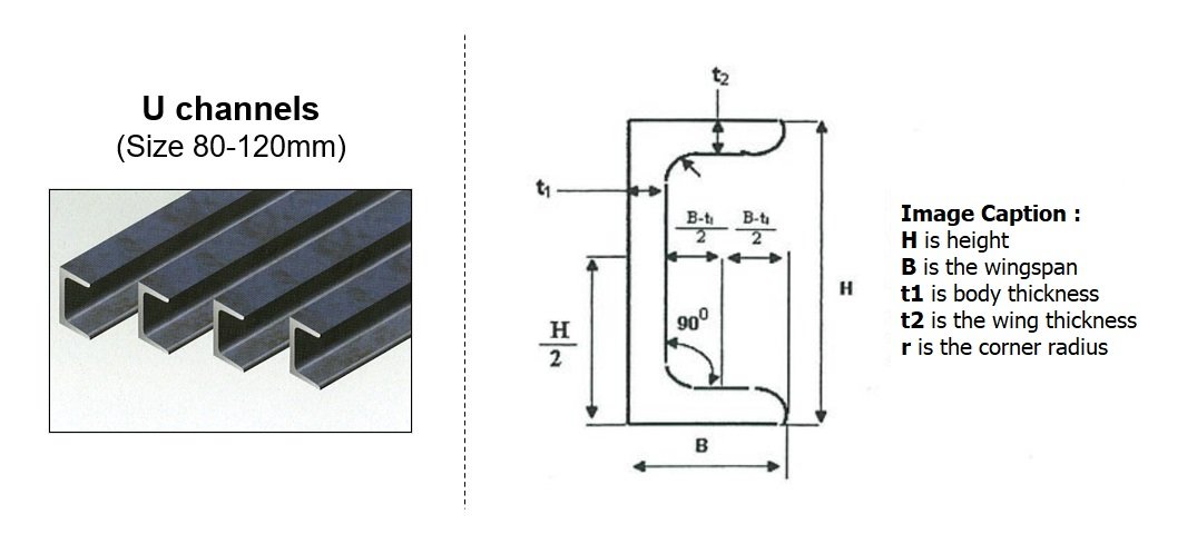
U-Channels

Channels

Size : 80x45 - 125x55 mm
BJP 41, BJP 55
SNI 07-2054-2006

Catalog